KH-1 粉体と液体の混合に最適なパドルミキサー式攪拌槽

・攪拌槽に原料の液体をホースや配管等から投入します。
・次に粉体の原料袋を攪拌槽の淵に乗せて少しずつ槽内に供給します。
・攪拌機のスイッチをオンにし攪拌をします。
・インバーターが取り付けられているので、攪拌スピードを調整します。
・有害なガスが発生する場合は排気配管を施し、スクラバーで有害なガスを処理します。

容量
:2.5㎥~15㎥
法規
:消防タンク
第2種圧力容器
第1種圧力容器
高圧ガス
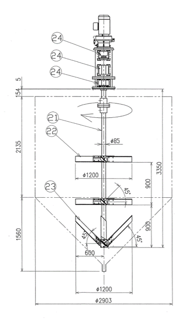
攪拌翼
:パドルミキサー
1~3段型
KH-2 多品種の製品を製造するプラントに最適な攪拌槽
.jpg)
・生産品目を変更する場合で適した攪拌翼に取り替える必要が出てきた際、通常であれば攪拌機を取り外すために専門の業者さんをコストをかけて呼んだり、またその取り替え中は運転ができないため製造の機会損失になっていました。
・このパドルミキサー攪拌槽KH-2を使用することにより、専門の業者を呼ばずに運転員自らが攪拌翼を瞬時に取り替えすることが可能となるので、コストダウンと効率アップになります。

容量
:2.5㎥~15㎥
法規
:消防タンク
第2種圧力容器
第1種圧力容器
高圧ガス
攪拌翼
:パドルミキサー
1~3段型